南昌尚辰材料制造有限责任公司
·批發價格·報(bào)價24小(xiǎo)時銷售服務(wu)熱線:
18615115678手機:0533-3142858
電話:18615115678
郵(you)箱:@283888.cc
地址:山東(dong)淄博市張店(diàn)區沣水鎮東(dong)高村工業園(yuán)
廠家品牌(pái):山東國立液(ye)壓
公司模式(shì):生産廠家
加(jiā)工方式:來圖(tu)定制
銷售批(pī)量:一台
産品(pǐn)價格:在線報(bao)價
産品簡介(jiè):
銷售區域:江(jiāng)蘇,山東,廣東(dōng),浙江,安徽,河(hé)北,河南,四川(chuān),遼甯,湖北💔,蘇(su)州,深☀️圳,杭州(zhōu),北京,無錫,成(cheng)都,濟南,鄭州(zhōu),上海,青島,甯(ning)波
産品标簽(qiān):

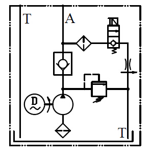
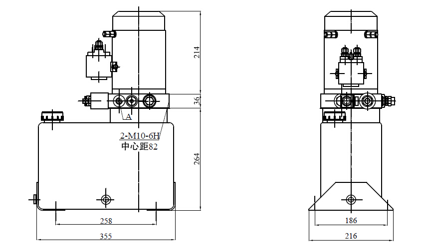
1.液壓系統壓(yā)力: 200bar
2.液壓油箱(xiāng)體積:7L
3.液壓泵(beng)排量:1.6, 2.6cc/r
4.電機功(gōng)率:1.6KW, 2.2KW ;AC220V
5.電機轉速(su):2500r/min
6.功能:單作用(yòng)
7.顔色:默認紅(hóng)色/白色塑料(liao)
8.安裝方式:卧(wò)式
9.油箱材料(liào):鐵皮(1-1,5mm),工程塑(sù)料
10.應用場合(he): 堆高車和叉(cha)車

**為電磁換(huàn)向閥電壓

掃二(er)維碼進手機(jī)版
微信報價(jià)廠家價格
•
•
›
客服(fu)QQ