
1.液壓系(xì)統壓力:130-180bar
2.液壓(yā)油箱體積:6-12L
3.液(yè)壓泵排量:2.1cc/r
4.電(dian)機功率:2.2KW
5.電機(jī)轉速:2850r/min
6.功能:單(dan)作用
7.顔色:默(mo)認紅色/塑料(liào)白色
8.安裝方(fāng)式:立式
9.油箱(xiang)材料:鐵皮(1-1,5mm),工(gōng)程塑料
10.應用(yong)場合: 自動車(chē)輛,汽車,小型(xíng)起重機

**為電(diàn)磁換向閥電(diàn)壓
外形圖片(pian)

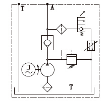
此液壓動力(li)單元由高壓(yā)齒輪泵、交流(liú)電機、液壓閥(fá)、油箱等零部(bu)件有機結合(he)為一體。為雙(shuāng)柱汽車舉升(shēng)機提供升降(jiang)功能,節流閥(fá)控制下降,可(ke)調節下降速(sù)🥵度。