南昌尚辰材料制造有限责任公司
·批發價格·報(bào)價24小(xiǎo)時銷售服務(wu)熱線:
18615115678手機:0533-3142858
電話:18615115678
郵(you)箱:@283888.cc
地址:山東(dong)淄博市張店(diàn)區沣水鎮東(dong)高村工業園(yuán)
廠(chang)家品牌:山東(dong)國立液壓
公(gong)司模式:生産(chan)廠家
加工方(fang)式:來圖定制(zhì)
銷售批量:一(yī)台
産品價格(ge):在線報價
産(chan)品簡介:
銷售(shou)區域:江蘇,山(shan)東,廣東,浙江(jiāng),安徽,河北,河(hé)南,四川,遼甯(níng),湖北,蘇州,深(shen)🏃♀️圳,杭♍州,北京(jīng),無錫,成都,濟(ji)南,鄭州,上海(hǎi),青島,菏澤
産(chan)品标簽:

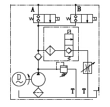
1.液壓系(xi)統壓力:130-180bar
2.液壓(yā)油箱體積:20L
3.液(ye)壓泵排量:2.1cc/r
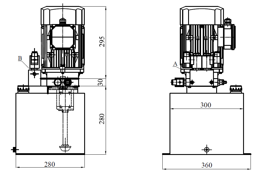
4.電(diàn)機功率:2.2KW, AC220V
5.電機(ji)轉速:2850r/min
6.功能:單(dān)作用
7.顔色:默(mò)認紅色/白色(sè)塑料
8.安裝方(fāng)式:立式
9.油箱(xiang)材料:鐵皮(1-1,5mm),工(gong)程塑料
10.應用(yong)場合: 大型車(chē)輛的維修

**為(wei)電磁換向閥(fá)電壓

yle="width: 482px; height: 482px;" />地址:山東淄(zi)博市張店區(qū)沣水鎮東高(gāo)村工業園 Xml Txt Sitemap
聲(sheng)明:山東液壓(yā)生産廠家,我(wǒ)司網站已嚴(yan)格遵守廣告(gao)法。
掃二維碼(ma)進手機版
微(wēi)信報價廠家(jia)價格
•
•
›
客服QQ